Затворы АРС12 с электроприводом МЭОФ
Серия:
Описание
Затворы АРС12 с электроприводом МЭОФ предназначены для использования в качестве регулирующей арматуры и служат для управления материальными потоками жидких и газообразных сред, в том числе природных газов, пара, воды, растворов кислот, щелочей, солей и нефтепродуктов.
Область применения
Затворы дисковые поворотные широко используются на предприятиях химической, нефтехимической, газовой, нефтегазовой, металлургической, горнодобывающей, целлюлозно-бумажной и других отраслей промышленности, объектах теплоэнергетики, водоснабжения и коммунального хозяйства, а также в качестве составной части машин и резервуаров.
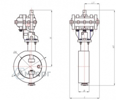
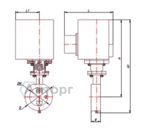
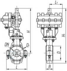
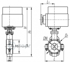
| Обозначение | PN, МПа | DN | Размеры, мм | Масса, кг | |||||
| B | D | H | H1 | L1 | изделие | м.к. | |||
| АРС 12.050.ХХ.Х.11.Х** М | 1,0 1,6 2,5 4,0 | 50 | 43 | 100 | 385 | 435 | 120 | 14,1 | 6,1 |
| АРС 12.065.ХХ.Х.11.Х**М | 65 | 46 | 120 | 390 | 450 | 8,4 | |||
| АРС 12.080.ХХ.Х.11.Х**М | 80 | 64 | 135 | 403 | 470 | 15,1 | 9,5 | ||
| АРС 12.100.ХХ.Х.11.Х**М | 100 | 160 | 510 | 590 | 300 | 38,1 | 11,6 | ||
| АРС 12.125.ХХ.Х.11.Х**М | 125 | 70 | 185 | 535 | 625 | 39,4 | 15,1 | ||
| АРС 12.150.ХХ.Х.11.Х**М | 150 | 76 | 215 | 528 | 635 | 46,4 | 17,0 | ||
| АРС 12.200.ХХ.Х.11.Х**М | 1,0 1,6 | 200 | 89 | 270 | 550 | 685 | 50,4 | 26,8 | |
| АРС 12.250.ХХ.Х.11.Х**М | 250 | 114 | 320 | 620 | 780 | 56,3 | 39,0 | ||
| АРС 12.300.ХХ.Х.11.Х**М | 300 | 380 | 651 | 841 | 94,0 | 46,0 | |||
| АРС 12.350.ХХ.Х.11.Х**М | 350 | 127 | 430 | 676 | 891 | 101,0 | 60,2 | ||
| АРС 12.400.ХХ.Х.11.Х**М | 400 | 140 | 480 | 700 | 941 | 102,7 | 83,3 | ||
Обозначение
- х** - исполнение по взрывозащите
- м.к. – монтажный комплект: ответные фланцы по ГОСТ 12815 исп. 1, прокладки, болты (шпильки) и гайки

Габаритные и присоединительные размеры затворов АРС12 с электроприводом МЭОФ