Панели ПП-20, ПП-22

Цена по запросу
Под заказ
Доставка
Срок доставки от 3 до 30 дней

Описание

Панели лепестковые ПП-20, ПП-22 – специализированные контактные панели для электротехнического монтажа. Устройства производятся в двух вариантах исполнения, различающихся количеством контактов. Контакты панелей предусматривают присоединение проводников посредством пайки.

Назначение ПП-20, ПП-22

Приборы этого типа предназначены для использования в качестве контактных панелей, монтируемых в релейных шкафах, электромонтажных стативах, панелях питания и других устройствах, применяемых для монтажа железнодорожных эл.цепей различного назначения.

Устройство и работа

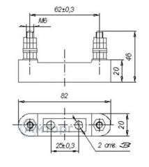
Контактные панели выпускаются в формате вытянутой платы, на которой закреплены выступающие лепестковые контакты, подготовленные к пайке проводников. По краям панелей предусмотрены монтажные отверстия для закрепления устройства в месте установки.

Характеристики

Модификация устройства

ПП-20

ПП-22

Тип устройства

Контактная панель лепесткового типа

Количество контактов

20

22

Тип контактов

Двусторонние, рядного расположения, под пайку

Двусторонние, зигзагообразного расположения, под пайку

Количество крепежных отверстий

2

4

Габариты устройства, мм

82х40х28

110х38х28

Толщина платы, мм

8,0

11,0

Модификации

  • ПП-20,
  • ПП-22.