Линзовые компенсаторы прямоугольного сечения ПГВУ 246÷249-93
Описание
Линзовые компенсаторы прямоугольного сечения ПГВУ 246÷249-93 применяются для компенсации всех видов перемещений (осевых, сдвиговых, угловых) в паро-, газо-, воздухопроводах прямоугольного сечения.
Особенности
- Возможны разработки компенсаторов для больших температурных диапазонов с применением современных футеровочных материалов, внутренних направляющих экранов и внешних защитных кожухов.
- Линзы компенсатора изготавливаются в виде V- или U- образной волны.
- Размеры проходных сечений и присоединительные размеры по требованию заказчика.

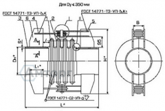
Рис.1. Схема линзовых компенсаторов прямоугольного сечения ПГВУ 246÷249-93
Характеристики
Компенсаторы прямоугольные осевые линзовые изготовленные по ПГВУ имеют следующие параметры:
- Диаметры (Ду) от 300х400 до 7850х8000 мм
- Давление (Ру) до 0,015 МПа
Компенсирующая способность для 1-но линзового до 10 мм, 2-х линзового до 20 мм, 3-х линзового до 30, 4-х линзового до 40 мм при работе линзы только на сжатие без предварительной холодной растяжки, при 1000 циклах нагружения компенсатора. Если компенсатор при монтаже будет растянут на ту же величину, то общая компенсирующая способность удвоится.
Модификации
Компенсаторы прямоугольные линзовые осевые изготавливаются согласно ПГВУ:
- ПГВУ 246-93 (однолинзовые),
- ПГВУ 247-93 (двухлинзовые),
- ПГВУ 248-93 (трехлинзовые),
- ПГВУ 249-93 (четырехлинзовые).