Фильтр напорный на давление 32 МПа тип 1ФГМ 32-01 (с сетчатым ф/эл 25мкм)
Описание
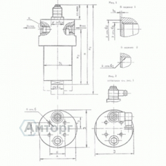
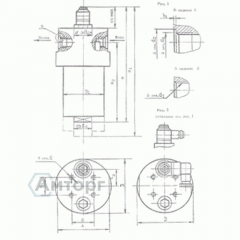
Фильтры напорные на давление 32МПа типа 1ФГМ 32-01 (с сетчатым ф/эл 25мкм) предназначены для очистки от механических примесей минеральных масел, кинематическая вязкость которых не более 200 мм2/с при температуре до 80С. Диапазон температур окружающей среды от 1 до 40С. Фильтры используются в машинах, где применяется гидропривод высокого давления и изготовляются с визуальным или электрическим индикатором загрязненности.
| Исполнение Фильтра | D, мм | D1, мм | H, мм | H1, мм | H1, мм | A max, мм |
S -1 |
| 1ФГМ32 | 108 | 85 | 260 | 160 | 300 | 100 | 36 |
| C ±0,2 |
C1 ±0,2 |
C2 ±0,2 |
h1 -0,4 |
d -7H |
d1 метрическ. ГОСТ24705-81 Вариант 1 |
d2 0,4 |
|
| 40 | 28 | 30 | 2,5 | М8 | М22х1,5-7Н | 28 |
| Параметры | Значение |
| Номинальное давление, МПа | 32 |
| *Номинальная тонкость фильтрации, мкм | 25 |
| Условный проход, мм | 12 |
| * Номинальный расход, л/мин. | 40 |
| *Номинальный перепад давления, МПа не более | 0,16 |
| Перепад давления, МПа, при котором: | |
| - происходит срабатывания индикатора загрязненности | 0,3 ± 0,03 |
| - происходит открытие предохранительного клапана | 0,5 ± 0,1 |
| Масса (без жидкости), кг, не более | 6 |
| Примечание: * параметры указаны при вязкости масла 25-30 мм2/с |