Датчик загазованности ДТХ-153

Голосов: 1
Цена по запросу
Под заказ
Доставка
Срок доставки от 3 до 30 дней

Описание

Датчик ДТХ-153 имеет нормальную степень механической прочности по ГОСТ 22782.0-81, ГОСТ Р 51330.0-99 и должен устанавливаться в местах, где отсутствуют механические воздействия и прямой обдув контролируемой средой со скоростью более 8 м/с, о чем свидетельствует знак "Х" в маркировке взрывозащиты, указывающий на специальные условия безопасного применения датчика ДТХ-153.

Устройство и работа

Установку датчиков на новых объектах следует производить только после завершения всех строительных работ (покраски, сварки и др.) с целью исключения их повреждения. В случае проведения на объекте применения ремонтных работ, датчики должны быть демонтированы на время проведения этих работ.

Датчики ДТХ-153 устанавливаются  в вертикальном положении разъемом вниз. Датчики должны крепиться на жесткой панели двумя винтами (болтами) и гайками М6. Крепеж должен иметь средства от самоотвинчивания.

Сверху датчики необходимо защитить с помощью колпака от возможных механических повреждений и капежа любых жидких продуктов.

При эксплуатации ДТХ-153, для исключение, преждевременного выхода из строя чувствительных элементов, содержание в контролируемой среде механических примесей, а также тетраэтилсвинца, мышьяка, сурьмы, фосфора, фтора, хлора и их производных должно быть не более предельно допустимых концентраций  (далее по тексту – ПДК) по ГОСТ 12.1.005-88.

Характеристики

Модель датчика Определяемый компонент Температура среды, С Диапазон измерений, %НКПР Выходной сигнал, мА Вес, кг Габаритные размеры,мм 
ДТХ-153 н-Гексан
(н-С6Н14)
-40 …+50 от 0 до 50  4-20 0,35 85 х 95 х 90

Схемы

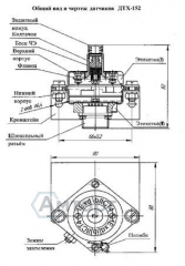
Рис.1. Чертеж датчика загазованности ДТХ-153

Рис.1. Чертеж датчика загазованности ДТХ-153