Датчик загазованности ДТХ-152-4
Описание
Датчик загазованности ДТХ-152-4 предназначен для автоматического и непрерывного контроля взрывоопасных концентраций метана и / или микроконцентрациях угарного газа, выдачи световой и звуковой сигнализации, а также для подачи электрических сигналов на внешние устройства и коммутации внешних электрических цепей. Датчики ДТХ-152-4 имеют высокую степень механической прочности по ГОСТ 22782.0-81, ГОСТ Р 51330.0-99.
Устройство и работа
Установку датчиков на новых объектах следует производить только после завершения всех строительных работ (покраски, сварки и др.) с целью исключения их повреждения. В случае проведения на объекте применения ремонтных работ, датчики должны быть демонтированы на время проведения этих работ.
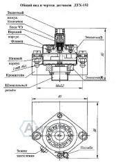
Датчики ДТХ-152-4 устанавливаются в вертикальном положении разъемом вниз. Датчики должны крепиться на жесткой панели двумя винтами (болтами) и гайками М6. Крепеж должен иметь средства от самоотвинчивания.
Сверху датчики необходимо защитить с помощью колпака от возможных механических повреждений и капежа любых жидких продуктов.
При эксплуатации ДТХ-152-4, для исключение, преждевременного выхода из строя чувствительных элементов, содержание в контролируемой среде механических примесей, а также тетраэтилсвинца, мышьяка, сурьмы, фосфора, фтора, хлора и их производных должно быть не более предельно допустимых концентраций (далее по тексту – ПДК) по ГОСТ 12.1.005-88.
Характеристики
| Модель датчика | Определяемый компонент | Температура среды, °С | Диапазон измерений, % НКПР | Выходной сигнал, мА | Вес, кг |
Габаритные размеры,мм (ширина, высота, глубина) |
| ДТХ-152-4 | Пары этилового спирта (С2Н5ОН) | -45 …+50 | от 0 до 50 | 4-20 | 0,3 | 85 х 85 х 90 |
Схемы

Рис.1. Габаритный чертеж датчика загазованности ДТХ-152-4