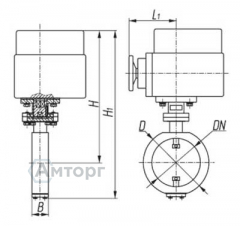
Блочный шаровый кран DN20 G3/4 PN420

Голосов: 1
Цена по запросу
Под заказ
Доставка
Срок доставки от 3 до 30 дней

Описание

Блочный шаровый кран DN20 G3/4 PN420 высокого давления, двухходовой используется в качестве запорной и регулирующей арматуры. Он предназначен для открытия или закрытия потока жидкости в гидравлических системах.

Характеристики

  • Резьба дюймовая, тип BSP: 3/4",
  • Условное проходное сечение: 20 мм.,
  • Максимальное давление: 420 бар.