Клапан регулирующий РК-Р

Цена по запросу
Под заказ
Доставка
Срок доставки от 3 до 30 дней

Описание

Клапан РК-Р является исполнительным механизмом регуляторов, предназначенных для регулирования различных параметров ( температуры, давления, расхода и уровня вещества) технологических процессов.

Технические характеристики
Параметры Значение
Условный проход,  Ду, мм 15, 25, 50
Условная пропускная способность, Kv, м/ч:
  • при Ду 15 мм
  • при Ду 25 мм
  • при Ду 50 мм
5
16
60
Условное давление Ру, кгс/см 40, 64
Пропускная характеристика (зависимость пропускной способности от перемещения затвора) линейная
Рабочий ход плунжера (золотника), мм
  • при Ду 15, 25 мм
  • при Ду 50 мм
14
28
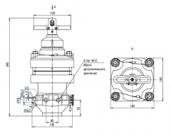
Габаритные размеры
Шифр клапана Ду, мм Ру, кгс/см Размеры, мм
L H H1
РК-Р 15 25 50 40 200 250 320 120 140 190 590 605 760
РК-Р 15 25 50 64 200 270 340 120 140 190 590 605 760

Конструктивное исполнение

Регулирующий клапан состоит из дроссельного устройства и привода управления.

Дроссельное устройство регулирует количество проходящей через клапан рабочей среды и состоит из следующих основных деталей: корпуса 16 с фланцами10, верхней 9 и нижней 13 крышек, плунжера 12, седла 11 и штока 7.

Верхняя и нижняя крышки крепятся к корпусу при помощи шпилек 14 с гайками. Герметичность соединения обеспечивается прокладками 17 .

Фланцы 10 ввёртываются в корпус клапана на резьбе и для обеспечения герметичности обвариваются. Размеры фланцев меняются в зависимости от условного давления.

В корпусе на резьбе устанавливаются сёдла 11, размеры которых зависят от условного прохода клапана.

В верхней крышке 9 монтируют сальниковое устройство, состоящее из накидной гайки 4, грундбуксы 5, втулки сальника 18, кольца 6 и сальниковой набивки 19.

При нажатии на накидную гайку 4 достигают необходимого уплотнения сальниковой набивки; подачу смазки обеспечивает лубрикатор 8.

Сальниковое устройство делает клапан герметичным и доводит до минимума силы трения при перемещении штока с плунжером.

В нижнюю крышку 13 ввёрнута пробка 15, заглушающая отверстие для опорожнения и промывки внутренней полости клапана.

Привод управления состоит из кронштейна 21 в верхнюю часть которого вставлена опорная втулка 1 к которой крепится штурвал 22 управления клапаном. В опорную втулку навинчена регулировочная гайка 20 которая служит для соединения механизма управления и клапана.

Клапан РК-Р работает следующим образом: вращательное движение маховика 22 по часовой стрелке преобразуется в поступательное движение плунжера 12 и вся подвижная система перемещается вниз, в результате чего снижается величина потока среды.