Фотодиод ФД-337
Описание
Фотодиод ФД-337 используют твердотельные модули "сцинтиллятор-фотодиод" для комплектации рентгеновских интроскопов и томографов, работающих на сцинтилляционном оптическом излучении в диапазоне длин волн 0, 5 - 0,7 мкм, твердотельных датчиков радиоактивности, гамма-спектроскопия и с пектрометрия, научные исследования.
|
Параметр |
гр. 1 |
гр. 2 |
|
Площадь фоточувствительного элемента (ФЧЭ), мм2 |
100 |
|
|
Форма ФЧЭ |
квадрат 10 х10 мм |
|
|
Режим включения |
фотогальванический, фотодиодный (без подачи напряжения смещения) |
|
|
Темновой ток при 20 °С, при подаче напряжения смещения (Uсм), нА, не более |
0,1(Uсм = 10 мВ) |
50,0 (Uсм = 10 мВ) |
|
Область спектральной чувствительности по уровню 10 % отмаксимума, мкм |
0,4-1,1 |
|
|
Токовая монохроматическая чувствительность (λ = 0.63 мкм), А/Вт, не менее |
0,3 |
|
|
Время нарастания и спада (λ = 0.85 мкм, Rн = 50 Ом), мкс, не более |
1 |
|
|
Емкость при Uсм = 10 В, пФ, не более |
200 |
|
|
Конструктивное исполнение |
негерметичное, на ситалловой подложке с луженными монтажными площадками |
|
|
Интенсивность отказов, ч-1, не более |
не более 5•10-5 в течение наработки 10000 ч при доверительной вероятности 0,6 |
|
|
Девяностопроцентный срок сохраняемости в упаковке изготовителя |
3 месяца |
|
|
Девяностопроцентный срок сохраняемости в составе аппаратуры |
8 лет |
|

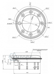
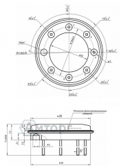
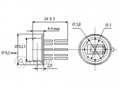
рис. 1 – Габаритные размеры фотодиодов, где:
1-фоточквствительный элемент; 2 – охранное кольцо; 3 – общая, «плюс» питания
Условия эксплуатации
- Диапазон рабочих температур, °С: от минус 25 до 55;
- Относительная влажность воздуха, %, при температуре 25 °С: до 98.